气动LT支耳蝶阀

-口径:DN50~DN1200
-连接标准:PN10/16, ANSI150, DIN16, JIS10K, 16K
-工作温度:-25~200℃
-工作压力:PN10~25, 150LB
-材质:球墨铸铁、碳钢、碳钢、不锈钢、双相钢
-密封材质:EPDM, PTFE, NBR, VITON
-介质:水,油,气体,粉末颗粒,烟气脱硫
-驱动方式:气动

订购热线:021-54150349

立即咨询
  • 产品简介
  • 产品参数

中线蝶阀在外形上分A型与LT型。 LT型也叫单夹蝶阀,也叫支耳式蝶阀。蝶阀又叫翻板阀,是一种结构简单的调节阀,在管道上主要起切断和节流作用。蝶阀启闭件是一个圆盘形的蝶板,在阀体内绕其自身的轴线旋转,从而达到启闭或调节的目的。

LT对夹式蝶阀结构简单、体积小、重量轻,只由少数几个零件组成。而且只需旋转90度即可快速启闭,操作简单,同时该阀门具有良好的流体控制特性。处于完全开启位置时,蝶板厚度是介质流经阀体时唯一的阻力,因此通过该阀门所产生的压力降很小,故具有较好的流量控制特性。


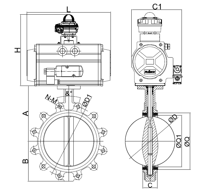
气动LT支耳蝶阀外形图:

气动LT支耳蝶阀尺寸表: